Tuollainen Passat lojui tuolla hallin takapihalla. 2E 115 hp ja 2,0. Jäi siihen kaverilta sopuhintaan, kun ruostevaurioiden takia mennyt läpi leimasta. Täysrempattu kone 80 tkm sitten. Tuota raatoa tuli kiroiltua runsaan vuoden, kun esti ruohonleikkuun ja lumenajon.
Kun ei nuo syncrohommat oikein tunnut etenevän, niin ajattelin katsoa, että lähteekö tuo raato käymään, Ja kakkosellahan se lähti vuoden seisonnan jälkeen.Janne siitä kävi evakuoimassa ilmastoinnin omaan projektiinsa, joten pikkuisen piti kiinnitellä osia ennen siirtoa etupihalle.
Kesällä tuli ostettua 500 eurolla -91 kakkis, jossa oli vähän käyntihäiriötä, eli ei startannut. Kaveri oli jo ostanut uudet renkaat, madallustolpat ja kaikki koneen sähköt. Into oli loppunut, kun ei saanut sitä käymään. Siitä se kotiutui ja bensapumpun vaihdolla kelpasi heti leimasedälle.
Siitä se lähti pian lapasesta ja eilen päätin, että isketään tuo 2,0 - tekniikka kakkikseen. Pasuuna talliin ja hommiin. Punainen golf taka-alalla asennuksen kohde
Golf Mk2 2E projekti
Valvoja: ffp jäsenet
Golf Mk2 2E projekti
- Liitteet
-
- IMG_3037.jpeg (4.1 MiB) Katsottu 24813 kertaa
Viimeksi muokannut Mäki, 16.9.2023 21:33. Yhteensä muokattu 1 kertaa.
Re: Golf Mk2 2E projekti
Naapuritallin kaverin kanssa otettiin talkoot kahteen tyttöön ja parin tunnin aherruksen tuloksena lopputulema oli tämä. Kone, laatikko, keppi, jarrutehostin, polkimet, jarrut ja taka-akseli sekä sähköt siistissä kasassa tallin lattialla. Seuraavaksi ihmetellään, että mitä kaikkea pitää tehdä ja hankkia, että tuo on kakkisen keulilla
- Liitteet
-
- IMG_3061.jpeg (2.11 MiB) Katsottu 24812 kertaa
Re: Golf Mk2 2E projekti
Takana moottoripukissa muuten kiikkuu 82x94 kuplan old school - kone, josta on penkitetty 237 hp
Re: Golf Mk2 2E projekti
Passatin taka-akseli levyillä upposi kohtalaisen helposti vanhan levyjarruttoman tilalle. 16 mm ulkoneunan kumiheloista rälläkällä mäkeen ja kymmenen milliä myös pois helan kupista. Pari paksua korilaattaa helan sisäpuolelle ja asennus oli valmis.
- Liitteet
-
- Taka-akseli.jpg (351.88 KiB) Katsottu 24011 kertaa
Re: Golf Mk2 2E projekti
Tänään urakkahengellä liikenteessä ja ohjelmassa polkimien vaihto Passatin polkimiin, MK2 GTI tehostin ja sylkkä sekä kone reikään. Passatin kiinnikkeitä joutui vähän muokkaamaan, mutta sinne se upposi. Vaijerikeppi löysi myös paikkansa.
- Liitteet
-
- 115 hp.jpg (495.41 KiB) Katsottu 24010 kertaa
Re: Golf Mk2 2E projekti
Oliko jotakin järkeviä linkkejä koneen sähköhommiin? Golffissa on Ce2 - sähköt, siis ne uudemmat. Nähtävästi sulakerasia on sama Muumipassatissa ja Golfissa? Google tarjoaa vaan eri hakusanoilla sitä, miten Golfista tehdään sähköauto
-
Mettalainen
- -
- Viestit: 57
- Liittynyt: 2.6.2011 13:18
Re: Golf Mk2 2E projekti
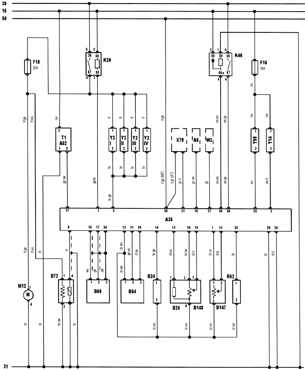
Tässä on koneen sähköt ja linkistä löytyy sulakerasiat.
https://www.clubgti.com/forums/index.ph ... aq.219775/
Manufacturer: Volkswagen
Model: Passat 2.0L
ECU: VAG Digifant
Engine code: 2E
30 Battery +
31 Battery -
Y14 Cold start injector
В54 Crankshaft position (CKP) sensor
А35 Engine control module (ECM)
K46 Engine control relay
В24 Engine coolant temperature (ЕСТ) sensor
М12 Fuel pump
К20 Fuel pump relay
F Fuse
В72 Heated oxygen sensor (HO2S)
Y99 Idle air control (IAC) valve
А52 Ignition amplifier
Т1 Ignition coil
15 Ignition switch - ignition ON
50 Ignition switch - start signal
Y3 Injector
А5 Instrument panel - MIL light
В25 Intake air temperature (IAT) sensor
B69 Knock sensor (KS)
R62 Mixture adjustment resistor
W3 Spare cable
В147 Throttle position (TP) sensor
X79 Transmission connector
B148 Volume air flow (VAF) sensor
bl = blue
br = brown
el = cream
ge = yellow
gn = green
gr=grey
nf = neutral
og = orange
rs = pink
rt = red
sw = black
vi = violet
ws = white
hbl = light blue
hgn = light green
rbr = maroon
https://www.clubgti.com/forums/index.ph ... aq.219775/
Manufacturer: Volkswagen
Model: Passat 2.0L
ECU: VAG Digifant
Engine code: 2E
30 Battery +
31 Battery -
Y14 Cold start injector
В54 Crankshaft position (CKP) sensor
А35 Engine control module (ECM)
K46 Engine control relay
В24 Engine coolant temperature (ЕСТ) sensor
М12 Fuel pump
К20 Fuel pump relay
F Fuse
В72 Heated oxygen sensor (HO2S)
Y99 Idle air control (IAC) valve
А52 Ignition amplifier
Т1 Ignition coil
15 Ignition switch - ignition ON
50 Ignition switch - start signal
Y3 Injector
А5 Instrument panel - MIL light
В25 Intake air temperature (IAT) sensor
B69 Knock sensor (KS)
R62 Mixture adjustment resistor
W3 Spare cable
В147 Throttle position (TP) sensor
X79 Transmission connector
B148 Volume air flow (VAF) sensor
bl = blue
br = brown
el = cream
ge = yellow
gn = green
gr=grey
nf = neutral
og = orange
rs = pink
rt = red
sw = black
vi = violet
ws = white
hbl = light blue
hgn = light green
rbr = maroon
Re: Golf Mk2 2E projekti
Kiitos. Näillä ja Loposen avuilla päästään mukavasti eteenpäin
Palaa sivulle “Projektiosasto”
Paikallaolijat
Käyttäjiä lukemassa tätä aluetta: Ei rekisteröityneitä käyttäjiä ja 43 vierailijaa